聯系人:王經理
銷售電話:15610293837
銷售QQ:2962700085
公司地址:山東省濰坊高新區新城街道玉清社區光電路155號濰坊高新區光電產業加速器(一期)1號樓301

PRODUCT CENTER
聯系人:王經理
銷售電話:15610293837
銷售QQ:2962700085
公司地址:山東省濰坊高新區新城街道玉清社區光電路155號濰坊高新區光電產業加速器(一期)1號樓301
空氣質量傳感器又稱空氣傳感器,室內環境監測系統,空氣質量傳感器主要用于檢測空氣環境中的溫度、濕度、PM2.5、PM10、CO2、甲醛等多種要素,基本涵蓋了反映室內空氣質量的各個指標。
一、空氣質量傳感器產品簡介
空氣質量傳感器又稱空氣傳感器,室內環境監測系統,空氣質量傳感器主要用于檢測空氣環境中的溫度、濕度、PM2.5、PM10、CO2、甲醛等多種要素,基本涵蓋了反映室內空氣質量的各個指標。
山東萬象環境科技有限公司作為專業研發生產銷售微型氣象儀的企業,一直致力于微型氣象儀和氣象環境解決方案推廣應用。具有完整的生產鏈、實力雄厚的技術團隊和全面的營銷團隊,我們研發生產的超聲波風速風向儀、五要素微氣象儀、六要素微氣象儀和小型自動氣象站等氣象產品,已廣泛應用到氣象監測、城市環境監測、風力發電、航海船舶、航空機場、橋梁隧道等領域,客戶遍布全國各地,并取得了良好的社會效益和經濟效益。
與傳統的微型氣象儀相比,我司產品克服了對高精度計時器的需求,避免了因傳感器啟動延時、解調電路延時、溫度變化而造成的測量不準問題。
WX-WQX8型八要素微氣象儀創新性地將氣象標準參數(風速、風向、溫度、濕度、氣壓、pm2.5、pm10、噪聲)通過一個高集成度結構來實現,可實現戶外氣象參數24小時連續在線監測,通過數字量通訊接口將八項參數一次性輸出給用戶。產品結構緊湊,外形美觀、大方、高度集成。
二、產品特點
1、頂蓋隱藏式超聲波探頭,避免雨雪堆積的干擾,避免自然風遮擋
2、原理為發射連續變頻超聲波信號,通過測量相對相位來檢測風速風向
3、風速、風向、溫度、濕度、氣壓、pm2.5、pm10、噪聲八要素一體式
4、采用先進的傳感技術,實時測量,無啟動風速☆
5、抗干擾能力強,具有看門狗電路,自動復位功能,保證系統穩定運行
6、高集成度,無移動部件,零磨損
7、免維護,無需現場校準
8、采用ASA工程塑料室外應用常年不變色
9、產品設計輸出信號標配為RS485通訊接口(MODBUS協議);可選配232、USB、以太網接口,支持數據實時讀取☆
10、可選配無線傳輸模塊,最小傳輸間隔1分鐘
11、探頭為卡扣式設計,解決了運輸、安裝過程松動不準的問題☆
三、技術參數
1.風速(標配):量程:0~60m/s;分辨率0.01m/s;精度:±0.1m/s
2.風向(標配):量程:0~360°;分辨率:1°;精度:±2°
3.空氣溫度(標配):量程:-40-60℃;分辨率0.01℃;精度:±0.3℃(25℃)
4.空氣濕度(標配):量程:0-100%RH;分辨率:0.01%RH;精度:±3%RH
5.大氣壓力(標配):量程:30-110Kpa;分辨率0.01Kpa;精度:±0.25%
6.PM2.5(標配):量程:0-1000ug/m3;分辨率1ug/m3;精度:±10%(<500微克)
7.PM10(標配):量程:0-1000ug/m3;分辨率1ug/m3;精度:±10%(<500微克)
8.噪聲(標配):量程:30-120dB;分辨率0.1dB;精度:±1.5dB
9.其他可選配要素:壓電雨量、TSP、一氧化碳、二氧化硫、二氧化氮、臭氧、光照度、光學雨量、總輻射、二氧化碳、氧氣含量、硫化氫、氫氣、氯氣、氨氣、氯化氫、氰化氫、氟化氫、磷化氫、二氧化氯、環氧乙烷、一氧化氮、過氧化氫、四氫噻吩、甲醛、VOC、催化燃燒可燃氣
9.功率:0.72W
10.整機取得省級校準證書
11.生產企業為3A級信用企業
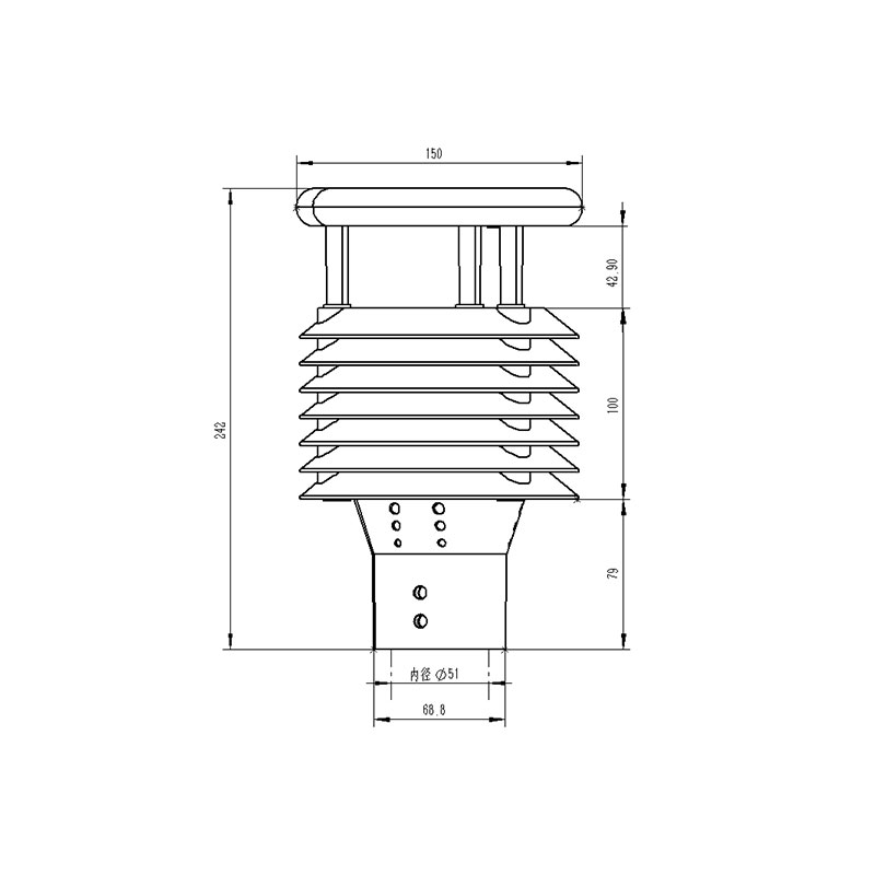
四、產品尺寸圖
五、產品結構圖
1、控制電路
2、指北箭頭
3、超聲波探頭
4、百葉箱PM2.5、PM10
5、溫度、濕度、噪聲、氣壓監測位置
6、法蘭轉換頭
※此產品可選配電子羅盤功能
六、產品接線定義
定義 | 備注 | |
VCC | 電源正 | DC12V |
GND | 電源地 | |
485A | RS485A | |
485B | RS485B |
在水污染事件發生的時候,尤其是突然發生的時候WX-LDSW04流量在線監測儀監測的河道流量的參數可以為防治污染物的擴散措施的制定提供極其重要的數據支撐,因此,對于渠道內水位、流速、流量和降雨量的全自動水文監測是非常重要的,可以精準地全自動采集和測量,除此之外,它還是調配區域管轄內流域水量、掌握污水排放走向的風向標。···
WX-XC1松材線蟲檢測儀是一款集成了先進生物技術與精密儀器制造技術的高科技產品。其核心功能在于能夠高效、準確地完成松材線蟲的分離、DNA提取以及熒光定量PCR檢測等一系列復雜過程。這些過程的實現,不僅依賴于儀器的高精度與智能化設計,更離不開背后深厚的生物技術支撐。在松材線蟲的分離階段,檢測儀通過精密的機械結構與智能識別算法,能夠迅速從復雜的樣本中分離出目標線蟲。···
精準,是測量工作的靈魂。WX-CS150便攜式超聲波測深儀采用先進的超聲波測距原理,通過高速發射與接收聲波信號,即使在復雜多變的水域環境中,也能迅速捕捉并計算出準確的水深信息。同時,其配備的高清顯示屏,能夠實時顯示測量結果,圖表化展示讓數據一目了然,為決策者提供強有力的數據支持。···
WX-SL10森林氣象站以其專業的監測能力和精準的數據分析,為森林防火提供了強有力的支持。它如同森林的“守護者”,24小時不間斷地監視著森林的氣象變化,確保在火災發生前能夠及時發現并預警。通過高精度傳感器,森林氣象站能夠實時監測空氣溫度、濕度、風速、風向等關鍵氣象要素,這些數據是判斷火災風險等級的重要依據。···
WX-FLZ40負氧離子監測站外觀設計美觀,采用景觀木亭樣式,不僅外觀好看,內在也是可圈可點,它的數據平臺是一個互聯網架構的網絡化平臺,具有對各子站的監控功能以及對數據的報警處理、記錄、查詢、統計、報表輸出等多種功能。一次性監測負氧離子、pm2.5、pm10、溫度、濕度、氣壓、含氧量、噪音、風速、風向等氣象參數,直觀顯示。···
WX-FGF11光伏環境監測站的首要任務是實時監測光伏發電系統所處的環境參數。這些參數包括但不限于光照強度、溫度、濕度、風速、風向以及氣壓等。通過高精度傳感器,監測站能夠捕捉到這些環境因素的細微變化,并將其轉化為精確的數據。這些數據對于運維人員來說,是了解光伏組件發電效率影響因素的“金鑰匙”。···