聯系人:王經理
銷售電話:15610293837
銷售QQ:2962700085
公司地址:山東省濰坊高新區新城街道玉清社區光電路155號濰坊高新區光電產業加速器(一期)1號樓301

PRODUCT CENTER
聯系人:王經理
銷售電話:15610293837
銷售QQ:2962700085
公司地址:山東省濰坊高新區新城街道玉清社區光電路155號濰坊高新區光電產業加速器(一期)1號樓301
不銹鋼壓電雨量傳感器又稱金屬款壓電雨量計,壓電雨量傳感器,不銹鋼壓電雨量傳感器可廣泛應用于地質災害、水利、道路交通、智慧城市、防汛抗旱、農業智能灌溉等降雨量監測場景。
一、不銹鋼壓電雨量傳感器產品概述
不銹鋼壓電雨量傳感器又稱金屬款壓電雨量計,壓電雨量傳感器,不銹鋼壓電雨量傳感器可廣泛應用于地質災害、水利、道路交通、智慧城市、防汛抗旱、農業智能灌溉等降雨量監測場景。
本壓電雨量傳感器采用PVDF壓電薄膜作為感雨器件,通過嵌入式AI神經網絡分辨雨滴信號,避免因砂礫、灰塵、振動等干擾帶來誤觸發。
廣泛應用于氣象環境監測、水文水利綜合監測站、交通道路監測、農林、風力發電等有關部門用來遙測降水量、降水強度、降水起止時間。用于防洪、供水調度、電站水庫水情管理為目的水文自動測報系統、自動野外測報站等。
二、不銹鋼壓電雨量傳感器功能特點
1.一體化設計,外觀精美
2.無機械配件,無任何外露部件,可過濾樹葉、塵土、蟲子等環境因素所引入的相似信號
3.測量精度高,量程寬,穩定性能好,低功耗,抗外界干擾能力強
4.可全天候工作,不受天氣變化的影響,精確到秒的降雨時長監測
5.免維護,雨滴接觸面為弧形設計結構,不存儲雨水
6.安裝后帶有自動水平校準功能,無需現場校準
7.體積小巧,攜帶、拆卸安裝方便
8.不銹鋼材質,強度高、抗氧化、抗腐蝕
三、技術參數
測量范圍 | 0-4mm/min |
測量精度 | ≤±4% |
分辨率 | 0.01mm |
采樣頻率 | <1S |
通訊接口 | RS485 |
通訊協議 | MODBUS |
電源 | DC12V |
功耗 | 0.12W |
工作溫度 | -40~85℃ |
工作濕度 | 0~100%RH |
加熱模塊(選配) | 電流:1A(DC12V) |
功耗:12-15W |
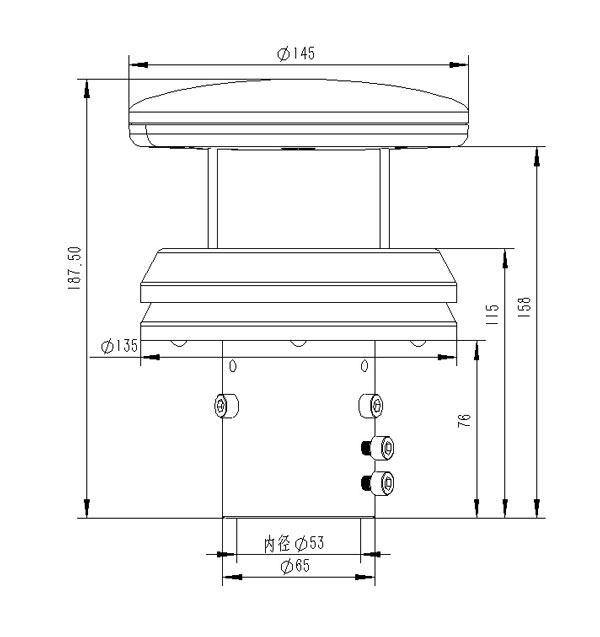
四、產品尺寸圖

五、產品結構圖

六、注意事項
1.傳感器水平周圍1米半徑無遮擋,避免水滴飛濺影響
2.傳感器安裝位置應避開強機械振動源
3.傳感器安裝上方應為開闊區域,雨滴應直接滴落至傳感器,應免二次滴落和連續水流沖擊
WX-FBQ2罐區防爆氣象站是萬象環境設計的一個專門針對易燃易爆場所設計的高精度氣象監測設備。爆炸首先要具備易燃易爆的條件,包括外部環境條件,必須有適宜的溫度(容易引起爆炸的溫度),還有風速風向等這些外部條件,這臺設備就是實時監測這些外部條件的設備,通過收集和分析氣象數據,包括溫度、濕度、氣壓和風速等參數,幫助預測和監測罐區內外的氣象條件。···
WX-QC2機械式風速風向記錄儀是一種用于實時監測和記錄風速和風向的設備,具有高精度、可靠性好、易于維護等特點。該設備通常由氣象傳感器、采集器、太陽能供電系統、立桿支架和云平臺等部分組成,能夠實現對風速、風向進行實時在線監測。機械式風速風向記錄儀采用機械轉動傳感器,能夠精確地測量和記錄風速和風向數據,同時具有數據存儲、傳輸和報警等功能。···
WX-NY8農業自動氣象站是專門為農業生產設計的一種自動氣象監測設備。它集成了現代傳感器技術、數據處理技術和通信技術,能夠實現對農田氣象環境的實時監測和精準預報。這些氣象數據對于農業生產至關重要,它們如同農田的“生命體征”,反映著農作物的生長環境和生長狀態。在農田里,農業自動氣象站通過安裝各種高精度傳感器,能夠實時監測農田的氣象變化。···
WX-GTS3管式土壤墑情自動監測儀的基本作用就是監測土壤剖面溫度、土壤剖面濕度、土壤剖面電導率,而這三項要素對于土壤健康狀況來說十分重要,掌握好了就可以根據作物實際需求進行精準灌溉,避免盲目灌溉造成的水資源浪費,有助于降本增效,而且土壤墑情與土壤養分狀況密切相關,合理調控土壤濕度有助于促進肥料吸收利用,減少養分流失,提高作物品質和產量。可以說,墑情掌握好了,是一項一舉多得的事情。···
在水資源本就稀缺的干旱與半干旱地區,每一滴水的利用都至關重要。WX-GTS6墑情自動監測設備能夠精準識別土壤干旱程度,指導農民實施滴灌、噴灌等節水灌溉技術,確保每一滴水都能精準送達作物根部,最大化利用有限的水資源。這不僅是農業生產的需要,更是對自然生態的溫柔呵護,助力這些地區實現綠色可持續發展。···
WX-PQX10十要素便攜式氣象站的獨特之處在于它的集成智慧,傳統氣象觀測需要多種儀器配合使用,而它將溫度、濕度、風速、風向、大氣壓力、光學雨量、光照、pm2.5、pm10、噪聲等十項功能濃縮在一個緊湊的機身中。這種高度集成不是簡單的功能堆砌,而是通過精妙的設計讓各傳感器互不干擾,就像讓十個專業樂手在狹小的舞臺上和諧演奏。當科考隊員在極地跋涉時,當應急隊員在災區行進時,只需取出這個設備,就能立即獲得全方位的環境數據。···