聯系人:王經理
銷售電話:15610293837
銷售QQ:2962700085
公司地址:山東省濰坊高新區新城街道玉清社區光電路155號濰坊高新區光電產業加速器(一期)1號樓301

PRODUCT CENTER
聯系人:王經理
銷售電話:15610293837
銷售QQ:2962700085
公司地址:山東省濰坊高新區新城街道玉清社區光電路155號濰坊高新區光電產業加速器(一期)1號樓301
環境監測傳感器又稱智慧路燈監測傳感器,環境監測傳感器用于測量路燈周圍的空氣質量,提供了環境監測功能,為城市管理者和居民提供了更安全、高效和環保的路燈系統。
一、環境監測傳感器產品簡介
環境監測傳感器又稱智慧路燈監測傳感器,環境監測傳感器用于測量路燈周圍的空氣質量,提供了環境監測功能,為城市管理者和居民提供了更安全、高效和環保的路燈系統。
山東萬象環境科技有限公司作為專業研發生產氣象傳感器的企業,一直致力于氣象傳感器和氣象環境解決方案推廣應用。具有完整的生產鏈、實力雄厚的技術團隊和全面的營銷團隊,我們研發生產的傳感器已廣泛應用到智慧農業、氣象監測、城市環境監測、風力發電、航海船舶、航空機場、橋梁隧道等領域,客戶遍布全國各地,并取得了良好的社會效益和經濟效益。
二、產品特點
1、抗干擾能力強,具有看門狗電路,自動復位功能,保證系統穩定運行
2、高集成度,無移動部件,零磨損
3、免維護,無需現場校準
4、采用ASA工程塑料室外應用常年不變色
5、產品設計輸出信號標配為RS485通訊接口(MODBUS協議);可選配232、USB、以太網接口,支持數據實時讀取☆
6、可選配無線傳輸模塊,最小傳輸間隔1分鐘
三、技術參數
1、空氣溫度:-40-60℃(±0.3℃);(北京市氣象局校準證書)
2、空氣濕度:0-100%RH(±3%RH);(北京市氣象局校準證書)
3、光照:0-20W LUX(5%)
4、PM2.5:0-1000ug/m3(±10%)
5、PM10:0-1000ug/m3(±10%)
6、噪聲:30-120dB(±1.5dB)
7、功率:0.96W
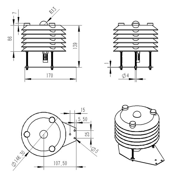
四、產品尺寸圖

五、產品結構圖

WX-CQ3智能蟲情測報識別系統融合了物聯網、人工智能與大數據分析等先進技術,通過高分辨率攝像頭實時采集田間蟲情圖像。這些高清像素的圖像,如同農業生產中的“顯微鏡”,能夠清晰地捕捉到害蟲的形態特征,為后續的精準識別提供了堅實的基礎。高清像素的優勢不僅體現在識別準確率上,更在于其能夠為農業生產提供更為詳盡的蟲情信息?!ぁぁ?/p>
WX-XQ4校園氣象站的建設旨在通過實地觀測和數據分析,增強學生對氣象知識的興趣和理解,培養他們的科學素養和實踐能力。同時,氣象站也將成為校園內一道亮麗的風景線,提升校園文化氛圍。校園氣象站應配備基本的觀測儀器,如風向風速儀、溫濕度計、氣壓計、雨量計等。這些儀器應具有高精度、易操作、耐用的特點,確保觀測數據的準確性和可靠性。···
WX-NY10田間氣象站是萬象環境推出的一款可以一次監測十項要素的氣象站,它的監測范圍廣泛,包括空氣溫度、空氣濕度、土壤水分、土壤溫度、風速、風向、雨量、光照強度等,可以幫助了解農田上的生態環境,優化耕作技術,也可以為科學家們提供高質量的農業氣象數據,幫助研究氣象變化對農業產出的影響,并制定更加科學的種植方案。···
想象一下,當你站在城市的高樓之巔,眺望遠方,視線能穿透薄霧,清晰捕捉到數十公里外的景致。這種能力,正是WX-NJD1010km能見度監測站賦予我們的“超能力”。它們不僅僅是一個簡單的觀測點,而是集高精度傳感器、智能分析系統于一體的現代氣象監測設備。通過激光散射、圖像識別等先進技術,這些監測站能夠實時捕捉并分析大氣中的顆粒物濃度、濕度、溫度等多維度數據,進而精準計算出當前及未來一段時間的能見度情況。···
WX-FZ4負氧離子大氣監測系統主要基于先進的傳感器技術和數據處理技術。傳感器能夠實時感知空氣中的負氧離子濃度,并將數據傳輸至數據處理中心。數據處理中心對接收到的數據進行清洗、校準和分析,最終生成準確的負氧離子濃度報告。該系統不僅具有實時監測功能,還能夠對歷史數據進行統計分析,為空氣質量研究和環保政策制定提供科學依據?!ぁぁ?/p>
WX-LS6便攜式明渠流量計是一種專為測量明渠中流體流量而設計的高精度儀器。它通常采用超聲波測量原理,通過發射和接收超聲波信號,利用信號在流體中傳播的時間差來測定流量。這種非接觸式的測量方法,不僅避免了傳統機械式流量計可能因流體中的雜質、腐蝕等問題而導致的測量誤差,還大大提高了測量的準確性和穩定性。···